| КОМПЕНСАТОР
СИЛЬФОННЫЙ IDROINOX
БЕЗ (ТИП SBL) И С ВНУТРЕННЕЙ ГИЛЬЗОЙ (ТИП SBA) |
. |
 |
|
 |
РАБОЧЕЕ
ДАВЛЕНИЕ - 16 бар (1,569 МПа)
РАБОЧАЯ ТЕМПЕРАТУРА - до 400°C |
 |
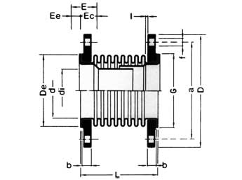
| Размеры,
соединения, характеристики (см. габаритный рисунок) |
Диаметр
соединения |
Осевые
смещения, мм |
Размеры,
мм |
R*
+/- 20% |
A** |
| DN,
мм |
E
/ суммарн. |
Ec
/ сжатие |
Ee
/ растяж. |
L |
D |
a |
n*** |
f |
b |
I |
d |
di |
De |
G |
Н/мм |
квадр.см |
| 40 |
32 |
21 |
11 |
198 |
150 |
110 |
4 |
18 |
16 |
4 |
48 |
40 |
67 |
81 |
202 |
25 |
| 50 |
28 |
19 |
9 |
167 |
165 |
125 |
4 |
18 |
18 |
4 |
60 |
52 |
80 |
93 |
165 |
37 |
| 65 |
35 |
23 |
12 |
170 |
185 |
145 |
4 |
18 |
18 |
5 |
75 |
67 |
100 |
115 |
170 |
58 |
| 80 |
36 |
24 |
12 |
152 |
200 |
160 |
8 |
18 |
20 |
5 |
88 |
80 |
117 |
133 |
144 |
80 |
| 100 |
49 |
33 |
16 |
213 |
220 |
180 |
8 |
18 |
22 |
5 |
113 |
105 |
144 |
158 |
220 |
127 |
| 125 |
56 |
37 |
19 |
226 |
250 |
210 |
8 |
18 |
24 |
6 |
138 |
130 |
173 |
188 |
193 |
185 |
| 150 |
50 |
33 |
17 |
208 |
285 |
240 |
8 |
22 |
24 |
29 |
166 |
158 |
203 |
212 |
122 |
263 |
| 200 |
42 |
28 |
14 |
208 |
340 |
295 |
12 |
22 |
26 |
29 |
217 |
209 |
259 |
268 |
228 |
437 |
| 250 |
56 |
37 |
19 |
253 |
405 |
355 |
12 |
25 |
32 |
31 |
271 |
263 |
316 |
320 |
192 |
667 |
*
- осевая жесткость сильфона
** - эффективная площадь потока среды
*** - количество отверстий во фланце |
|
 |
| Материалы |
Сильфонная
часть: нержавеющая сталь ASTM A 240 Tип 321
Внутренняя гильза: нержавеющая сталь ASTM A 240 Tип 321
Фланцы: сталь Fe 410 B UNI 7746, сталь Fe 42 B UNI 7070, сталь
Fe 410.1 KW UNI 5869 |
 |
 |
 |
| Внешний
вид компенсаторов тип SBL/SBA (слева) и тип FLS/FSA (справа) |
Многослойность
компенсаторов: повышение гибкости и сопротивлния к воздействию
давления |